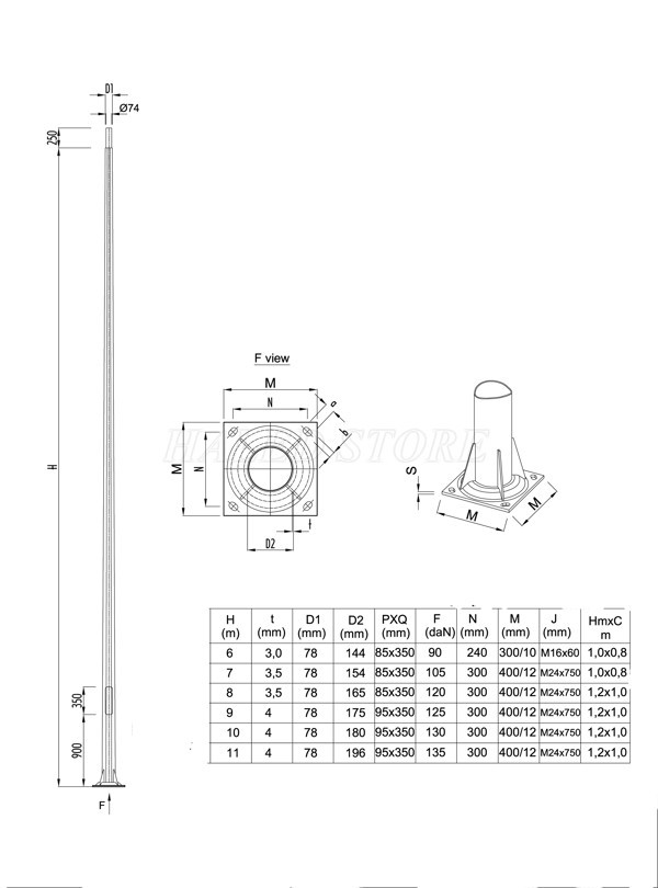
thông số kỹ thuật
| Độ cao cột tính từ mặt bích : H (mm) | 6000 |
| Độ vươn cần đèn tính từ tâm cột: W (mm) | |
| Chiều dày thân cột : T(mm) | 3 |
| Kích thước ngoài tại đầu cột: D1 (mm) | 78 |
| Kích thước ngoài tại mặt bích chân cột: D2 (mm) | 138 |
| Kích thước chiều cao và chiều rộng cửa cột (mm) | 85x350 |
| Vật liệu chế tạo theo tiêu chuẩn | SS 400, JI 3101 |
| Mạ kẽm nhúng nóng theo tiêu chuẩn | BS 729, ASTM A 123 |
| Sử dụng khung móng | M16x600 |
| Kích thước đế cột : M (mm) | 300/10 |
| Khoản cách tâm bu long móng cột: N(mm) | 240 |
| Kích thước khối bê tông móng (mm) | 1000x800 |
mô tả sản phẩm
Cột đèn HLDACB6 thiết kế rời cần chuyên dụng để lắp đặt chiếu sáng đường phố. Thiết kế đơn giản, lắp đặt đơn giản, cố định chắc chắn. Dưới đây là thông tin chi tiết về cột đèn:
1. Chất liệu cấu tạo
- Cột đèn được làm từ thép chống gỉ theo tiêu chuẩn SS400, JIS G3101.
- Áp dụng công nghệ mạ kẽm nhúng nóng theo tiêu chuẩn BS 729, ASTM A 123.
- Chiều dày của lớp mạ kẽm khoảng 450 g/m2 cho cột thép dày 3-5mm.
- Bên ngoài của thân vỏ được sơn tĩnh điện 3 màu chính: xanh lá, đen, xám.
Chất liệu thép mạ kém nhúng nóng có độ bền cao
2. Thiết kế cột đèn HLDACB6
2.1 Thân trụ
- Trụ đèn thiết kế thẳng đứng và rỗng bên trong với chiều dày 3mm; độ cao tính từ mặt bích là 6 m.
- Xung quanh cột là hình bát giác, mỗi đường nét đều được chau chuốt tỉ mỉ nhờ công nghệ đúc khuôn sẵn bằng dây chuyền công nghệ hiện đại.
Kiểu dáng của cột đèn HLDACB6
Kiểu dáng cột đèn bát giác côn tròn 6m
Bản vẽ kỹ thuật của cột đèn bát giác côn tròn 6m
2.2 Đế trụ
- Đế cột có kích thước khoảng 300/10mm, phần này được thiết kế có kích thước to hơn thân trụ phía trên để đảm bảo độ chắc chắn và khả năng chịu lực.
Đế trụ thiết kế kiên cố
3. Ưu điểm của cột đèn HLDACB6
3.1 Độ bền cao
- Cột được làm bằng thép chống gỉ cao cấp với công nghệ đúc tiên tiến cho khả năng chịu áp lực gió lên tới gần 50m/s.
- Cột đèn có khả năng chịu lực và chịu nóng tốt; chống han gỉ hiệu quả.
3.2 Dễ lắp đặt và vận chuyển
- Chất liệu bằng thép rỗng bên trong nên cột đèn không quá nặng giúp người lắp đặt dễ dàng vận chuyển.
- Thân cột liền cần giúp việc lắp đặt được tối giản các bước, tiết kiệm thời gian.
Cột đèn dễ lắp đặt và vận chuyển
3.3 An toàn cho người dùng
- Kết cấu chắc chắn, kín khít đảm bảo các tác động như mưa nắng, sấm sét không ảnh hưởng tới hệ thống điện bên trong cột.
- Ưu điểm này giúp người dùng yên tâm trong quá trình sử dụng.
Đặc điểm cột đèn thép bát giác đơn HLDACB6
4. Vị trí lắp đặt cột đèn HLDACB6
- Cột đèn cao áp 6 mét ứng dụng lắp đặt đèn đường led cho đường phố, đường đô thị, đường chính trong khu công nghiệp.
- Lắp đặt đèn cho hai bên đường quốc lộ, đường cao tốc,…
- Ứng dụng lắp đặt đèn pha led cho sân bóng đá, sân golf,…
Cột đèn ứng dụng lắp đặt không gian ngoài trời hiệu quả
5. Tư vấn lắp đặt cột đèn HLDACB6
5.1 Chọn khung móng
- Kích thước khối bê tông móng 1000×800 mm; Khoảng cách tâm bu long móng cột 240 mm.
- Cột đèn bát giác 6 mét dùng khung móng M16x600.
Khung móng cột M16
5.2 Chọn cần đèn
- Có nhiều loại cần đèn khác nhau: cần đèn gắn tường, cần đèn đơn, cần đèn đôi, cần đèn cánh buồm,…
- Tùy vào vị trí lắp đặt để lựa chọn loại cần đèn phù hợp.
Cột đèn có thể dùng để lắp các cần đèn đơn
Các mẫu cần đèn đôi có thể lắp đặt cho cột đèn
5.3 Chọn đèn
- Tùy vào loại cần đèn và vị trí lắp đặt, có thể chọn loại đèn LED tương ứng.
- Đối với cột đèn cao 6M chỉ nên lắp đèn LED công suất 50w – 80w.
Đèn lắp đặt được đa dạng các mẫu đèn khác nhau
5.4 Khoảng cách lắp đặt
- Khi lắp đặt cột đèn đường nên giữ khoảng cách giữa các cột khoảng 33 - 36 mét.
- Khoảng cách lắp cột đèn có thể điều chỉnh tùy vào nhu cầu sử dụng ánh sáng và vật cản trên đường sao cho hợp lý nhất.
5.5 Lưu ý lắp đặt
- Chọn khung móng có kích thước phù hợp với đế cột.
- Chọn loại đèn có cần phù hợp với đầu cần của cột.
- Khoảng cách lắp cột phải đảm bảo ánh sáng cho giao thông thuận tiện.
- Người thực hiện lắp đặt phải có chuyên môn kỹ thuật; trang bị đồ bảo hộ để đảm bảo lắp đặt chính xác; an toàn trong suốt quá trình lắp đặt cột, đấu nối dây điện
6. Báo giá cột đèn HLDACB6
- HALED STORE chuyên cung cấp cột đèn cho dự án, đại lý trên toàn quốc.
- Giá sản phẩm được cập nhật mới theo thời điểm đặt hàng do biến động thị trường.
- Do đó, để nhận báo giá và chiết khấu chi tiết ưu đãi nhất hãy liên hệ trực tiếp qua hotline 0332599699
7. Chính sách bảo hành, vận chuyển và đổi trả
7.1 Chính sách bảo hành
- Thời gian bảo hành 2 năm.
- Chế độ bảo hành: thay chip led hoặc nguồn led mới nếu lỗi do nhà sản xuất.
- Chính sách hậu bảo hành: hỗ trợ sửa chữa, thay thế linh kiện với giá ưu đãi.
- Hotline hỗ trợ: 0332599699
7.2 Chính sách vận chuyển
- Giao hàng tận nơi trên toàn quốc.
- Miễn phí vận chuyển cho đơn hàng: giá trị > 5.000.000 đồng bán kính 10km trong nội thành Hà Nội, TP HCM từ vị trí cửa hàng.
- Những đơn hàng khác, chi phí vận chuyển thỏa thuận giữa 2 bên trước khi giao hàng.
- Những đơn hàng gấp, đơn hàng cần hàng mẫu, liên hệ trực tiếp Hotline 0332599699 để được hỗ trợ.
Trên đây là thông tin chi tiết về cột đèn HLDACB6. Liên hệ ngay hotline: 0332599699 của HALED STORE để được tư vấn và nhận được các ưu đãi khi mua hàng. HALED STORE - đơn vị cung cấp đèn LED chất lượng hàng đậu tại Việt Nam.
>>>Xem thêm:
THÔNG TIN LIÊN HỆ:
Công ty TNHH Công Nghệ và Xúc Tiến Thương Mại HALEDCO
- Trụ sở Hà Nội: Số 3D2, KDT Cầu Diễn, Bắc Từ Liêm, Hà NộiXem bản đồ
- CN HCM: Số 546 Lê Trọng Tấn, P. Tây Thạnh, Q. Tân Phú, TP. Hồ Chí MinhXem bản đồ
- CN Đà Nẵng: Số 223, Nguyễn Tri Phương, P. Hoà Thuận Nam, Q. Hải Châu, Đà NẵngXem bản đồ
- Hotline mua hàng: 0332599699
- Bảo hành: (024) 3791 8122
- Email: info@haledco.com
- Website: https://congtydenled.com.vn/
Đánh giá của bạn :
-
Cung cấp hàng mẫu miễn phí cho dự án
-
Kiểm định chất lượng tại nhà máy
-
Đặt hàng theo yêu cầu
-
Giao hàng toàn quốc
-
Thời gian giao hàng nhanh chóng
-
Hotline mua hàng:
0332599699 -
Bảo hành:
(024) 3791 8122 - Email: info@haledco.com
-
Zalo: (024) 3568 6969
Liên hệ tư vấn
Nếu có bất kỳ thắc mắc nào cần giải đáp, hãy để lại thông tin dưới đây. Chúng tôi sẽ liên hệ tư vấn cho quý khách hàng trong thời gian sớm nhất!







0 Bình luận